適用范圍
HXGN口-12箱型固定式金屬封閉開關柜(簡稱環網柜)適用于交流50Hz,10KV的網絡作為開斷負荷和短路及關合短路電流用本環網柜配手動、電動彈簧機構來操作負荷開關,接地開關和隔離開關配用手動操作機構。本環網柜成套性強、體積小、無火災和爆炸危險,具有可靠“五防”功能。
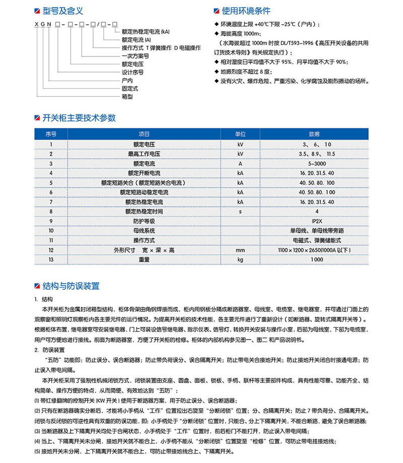
使用環境條件
環境溫度上限+40℃,下限-25°℃;
海拔高度不超過1000m;
空氣相對濕度日平均值不大于95%,月平均值不大于90%;水汽日平均值不大于2.2x10-3Mpa,月平均值不大于1.8×10-3Mpa;
周圍空氣不受腐蝕或可燃氣體、水蒸汽等明顯污染;
無經常性的劇烈振動。

上一篇: TBBZ高壓無功自動補償裝置
下一篇: HXGN-12箱型交流金屬封閉開關設備

